RayWizMOIRE
- 1. Overview:
RayWizMOIREは、 ディスプレイパネルと光学フィルムまたは、光学フィルムと光学フィルムとの間に発生するMoire現象を定量的に分析·予測するためのシミュレーションソフトです。
RayWiz ( Radiance Module )と一緒に使用すると、より有効である設計作業が可能です。
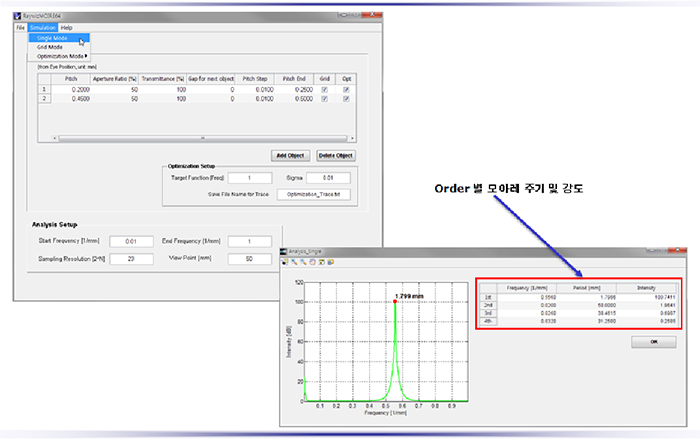
反復的な規則パターンを持つ構造物から発生するMoireの正確な周期ピッチを予測することができます。
既存のツールの単純な方程式による予測ではなく、 すき間の程度と透過率との干渉を引き起こすObjectとGap Effectを考慮して、信号解析的方法を利用して、 解析を実行します。
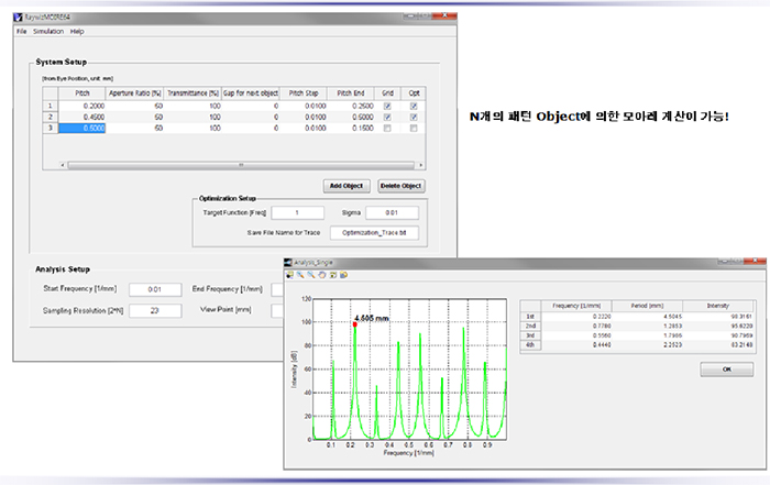
2つだけでなく、 N個のパターンObjectの干渉によるMoire 解析を行うことができます。
Toolsメニューで提供されるMoire_Visionツールを利用して多様なパターンのフィルムの干渉の結果をBitmapファイル形式を介して直接目で確認することができます。 ( 2013Q2以降のバージョン)
- 2. Features:
■シンプルなダイアログ方式のパターンObject設定画面
■バイアス角によるMoire方向と周期ピッチを計算するためToolのサポート
■写真を撮るのと同じような結果を提供するMoire_Vision Toolのサポート(2013Q2以降のバージョン)
■簡単な入力ウィンドウを使用したGrid Scan機能を提供
■最適化機能
■すき間の比率の設定機能
■透過率設定機能
■ギャップ設定機能
■Grid Simulation結果の一括解析機能を提供
■Moire Intensityに応じた1〜4次Moireピッチ分布の解析機能を提供
3. Applications:
-3D TV Panel System
-BLU Films
-LCD Color Filter
-AMOLED
-PDP Filter
-Touch Film
4. Screen Shot & Examples:
















